
Perkins4016工業柴油發動機冷卻系統概述(冷卻系統)
在本手冊中和在產品上都提供有安全預防措施和警告。如果對這些警告不予注意會給自己或他人造成人身傷亡。
識別危險用“安全警告符號”和“標志文字”,如“危險”、“警告”或“當心”。“警告”標貼如下所示
Perkins4016柴油發動機冷卻系統概述
該發動機有一種加壓冷卻系統。此冷卻系統有兩個優勢。
·壓力有助于防止氣穴。
·沸騰的風險降低。
沸點受三種因素影響:壓力,海拔和冷卻液中的乙二醇濃度。液體沸點隨著壓力增加而增加。液體沸點隨著海拔高度增加而降低。圖39顯示壓力和海拔對水的沸點的影響。

冷卻液沸點也取決于冷卻液的類型和乙二醇的濃度。乙二醇濃度越大,沸點越高。但是,乙二醇傳熱效果不及水。因為沸點和傳熱的效率,乙二醇的濃度很重要。與冷卻系統相關的有三個基本故障
·過熱
·冷卻液損失
·過冷
如果冷卻系統沒有正確保養,如結垢和沉淀物等固體會降低冷卻系統的傳熱的能力。發動機工作溫度會升高。
當發動機超載時,發動機將在拖動狀態下運轉。當發動機在拖動狀態下運轉,也即發動機在較低的轉速下運轉,這樣降低了冷卻液液流。在高負載下減少冷卻液液流將引起過熱。泄漏使冷卻液缺失。過熱的冷卻液可通過冷卻系統壓力安全閥溢出。較低的冷卻液液位也會產生過熱。過熱導致象缸蓋裂紋和活塞粘缸現象發生。
缸蓋或氣缸套裂紋將迫使廢氣進人冷卻系統。額外的壓力引起'冷卻液丟失、水泵氣穴、冷卻液循環量少和進一步的過熱。
過冷是冷卻液旁通水溫調節器的結果并直接流人散熱器或熱交換器。在低環境溫度下低負載工作可能引起過冷。過冷由水溫調節器保持打開引起的。過冷降低工作效率。過冷使發動機機油快速污染。這樣導致曲軸箱形成油泥,氣門積炭。加熱和冷卻循環過快可能導致氣缸蓋裂紋、密封墊故障、加速磨損和燃油消耗過量。如果懷疑冷卻系統有故障,在對系統進行任何測試前,進行目視檢查。
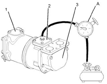
Perkins柴油發動機機油冷卻器壓力測試


1.制作護板(1)。制作連有空氣管接頭的護板。
2.用干凈的熱水加注機油冷卻器.使水位在出口法蘭范圍內。
3.將新接頭安裝至護板(1)和(3)。將護板(1)和(3)安裝至機油冷卻器。
4.將壓縮空氣連接至機油冷卻器。使用工具(A)。將壓力設置為345 kPa (50 psi)o壓力應持續三分鐘保持穩定。
目視檢查
冷卻系統如果不進行定期檢查就會引起發動機溫度升高。在用測試設備進行測試之前.先對冷卻系統進行目視檢查。
警告:加壓的系統:熱的冷卻液能造成嚴重的燙傷。在發動機停機.等待冷卻系統部件冷卻下來后再打開冷卻系統加注口蓋。暖慢松開冷卻系統加注口蓋,以釋放掉所有壓力。
1.檢查冷卻系統中的冷卻液液位。讀取位于散熱器(如有配備)上端的兩個冷卻液液位指示儀指示的液位位置。
2.查看冷卻系統有無滲漏。
3.查看芯件散熱片是否彎曲或散熱器散熱片之間有無碎屑(如有配備)。確保流過散熱器的空氣沒有阻塞。
4.檢查風扇葉片是否損壞(如有配備)。
5.發動機冷卻后,緩慢取下加注口蓋。這會使冷卻系統內的所有壓力釋放出來。檢查加注口蓋和氣密封表面。該表面必須清潔,密封必須無損。
6.檢查壓力安全閥。請聯系OEM了解更多信息。
Perkins柴油發動機水溫調節器(節溫器)一測試
警告:熱的冷卻液、蒸汽和堿會造成人身傷害。在工作溫度下,發動機冷卻液是熱的而且處在壓力下。散熱器和所有到加熱器的管路或發動機中都有熱的冷卻液或蒸汽。與它們的任何接觸都會造成嚴重燙傷。只有當發動機停機且散熱器蓋已經冷卻到可以徒手觸摸時,再慢慢拆下過濾器蓋以釋放壓力。冷卻系統調節器含堿。應避免它與皮膚和眼睛接觸。
注:該信息僅適用于安裝在發動機上的淡水溫度調節器。
1.從發動機上拆下水溫調節器。
2.在適當的容器內逐漸加熱冶卻液。
3.將水溫調節器懸掛在冷卻液容器內。水溫調節器必須浸沒在容器中冷卻液面以下,但遠離容器四周和底部。
4.保持冷卻液處于正確溫度10分鐘。水溫調節器開啟溫度為71.C。
5. 10分鐘后,取出水溫調節器。確保水溫調節器的閥完全開啟。如果水溫調節器的閥不能在規定溫度下開啟,更
換水溫調節器。更多信息,請參閱《操作和保養手冊》,“水溫調節器.更換”。
The cooling system of industrial diesel engine Perkins4016 (cooling system)
重要安全事項
Important safety instructions
Perkins產品的操作、保養和修理中的大多數事故,都是由于不崔守基本安全規則或預防措施引起的。若能在事故發生前認識到各種潛在危險,事故往往是可以避免的。對各種潛在的危險,必須對工怍人員提出警告。還必須對工作人員進行培訓.使其掌握必要的技能和正常使用工具。
Perkins products operation, maintenance and repair of the most accidents, are caused by not Cui Shou basic safety rules or preventive measures. If you can recognize the various potential risk before the accident, the accident is often avoided. The risk potential, must be warned about the working personnel. Must also be for staff training. To acquire the necessary skills and normal use of tools.
不正確的操作、涓滑、保養或修理產品是危險的,并會造成人身傷亡。
Incorrect operation, small sliding, maintenance or repair the product is dangerous, and can cause personal injury.
必須閱讀和理解產品的操作、潤滑、保養和修理的資料后,才可進行這些工作。
You must read and understand the product operation, lubrication, maintenance and repair information, to carry out the work.
在本手冊中和在產品上都提供有安全預防措施和警告。如果對這些警告不予注意會給自己或他人造成人身傷亡。
In this manual and in the product is provided with safety precautions and warnings. If not pay attention to will cause personal injury to themselves or others to these warnings.
識別危險用“安全警告符號”和“標志文字”,如“危險”、“警告”或“當心”。“警告”標貼如下所示
Hazard identification with "safety warning symbols" and "text", such as "dangerous", "warning" or "be careful". "Warning" stickers are shown as follows
Perkins4016柴油發動機冷卻系統概述
The cooling system of Perkins4016 diesel engine
該發動機有一種加壓冷卻系統。此冷卻系統有兩個優勢。
The engine has a compression and cooling system. The cooling system has two advantages.
•壓力有助于防止氣穴。
• pressure helps to prevent cavitation.
•沸騰的風險降低。
• boiling to reduce risk.
沸點受三種因素影響:壓力,海拔和冷卻液中的乙二醇濃度。液體沸點隨著壓力增加而增加。液體沸點隨著海拔高度增加而降低。圖39顯示壓力和海拔對水的沸點的影響。
Boiling point is affected by three factors: pressure, ethylene glycol concentration elevation and in cooling liquid. The boiling point of a liquid increases with the increase of pressure. The boiling point of a liquid decreases with the increasing altitude. Figure 39 shows the effect of pressure and altitude on the boiling point of water.
冷卻液沸點也取決于冷卻液的類型和乙二醇的濃度。乙二醇濃度越大,沸點越高。但是,乙二醇傳熱效果不及水。因為沸點和傳熱的效率,乙二醇的濃度很重要。與冷卻系統相關的有三個基本故障
The concentration of coolant boiling point also depends on the cooling fluid type and ethylene glycol. Ethylene glycol concentration, the higher boiling point. However, ethylene glycol heat transfer effect than water. Because the boiling and heat transfer efficiency, the concentration of ethylene glycol is very important. Associated with the cooling system has three basic fault
•過熱
• overheating
•冷卻液損失
• coolant loss
•過冷
• cold
如果冷卻系統沒有正確保養,如結垢和沉淀物等固體會降低冷卻系統的傳熱的能力。發動機工作溫度會升高。
If the cooling system without proper maintenance, such as the ability to scale and sediment and other solid will reduce the heat transfer of the cooling system. Engine operating temperature will rise.
當發動機超載時,發動機將在拖動狀態下運轉。當發動機在拖動狀態下運轉,也即發動機在較低的轉速下運轉,這樣降低了冷卻液液流。在高負載下減少冷卻液液流將引起過熱。泄漏使冷卻液缺失。過熱的冷卻液可通過冷卻系統壓力安全閥溢出。較低的冷卻液液位也會產生過熱。過熱導致象缸蓋裂紋和活塞粘缸現象發生。
When the engine is overloaded, the engine will run in the driving condition. When the engine is running in the driving state, namely the engine running at low speed, thus reducing the coolant flow. Under the high load reduced coolant flow will cause overheating. Leakage cause coolant loss. Coolant overheating by cooling system pressure relief valve overflow. Coolant level low will cause overheating. Overheating occurred as a crack in the cylinder head and piston cylinder sticking phenomenon.
缸蓋或氣缸套裂紋將迫使廢氣進人冷卻系統。額外的壓力引起'冷卻液丟失、水泵氣穴、冷卻液循環量少和進一步的過熱。
Cylinder head or cylinder liner crack will force the exhaust gas into the cooling system. Additional pressure caused by 'loss of coolant, pump cavitation, cooling fluid circulation quantity and further overheating.
過冷是冷卻液旁通水溫調節器的結果并直接流人散熱器或熱交換器。在低環境溫度下低負載工作可能引起過冷。過冷由水溫調節器保持打開引起的。過冷降低工作效率。過冷使發動機機油快速污染。這樣導致曲軸箱形成油泥,氣門積炭。加熱和冷卻循環過快可能導致氣缸蓋裂紋、密封墊故障、加速磨損和燃油消耗過量。如果懷疑冷卻系統有故障,在對系統進行任何測試前,進行目視檢查。
Cold is the coolant temperature regulator and bypass the direct flow radiator or heat exchanger. Under low ambient temperature low load operation may cause cold. Cooling by water temperature regulator is kept open by. Too cold to reduce work efficiency. A cold engine oil rapid pollution. This leads to the crankcase to form sludge, valve deposits. The heating and cooling cycle too fast may lead to cylinder head gasket failure, crack, accelerated wear and excessive fuel consumption. If you suspect that the cooling system failure, in any testing of the system, visual inspection.
Perkins柴油發動機機油冷卻器壓力測試
Perkins diesel engine oil cooler pressure test
1.制作護板(1)。制作連有空氣管接頭的護板。
1 making protective plate (1). Making even the air pipe plate joint.
2.用干凈的熱水加注機油冷卻器.使水位在出口法蘭范圍內。
2 hot water filling oil cooler clean. The water level in the outlet flange range.
3.將新接頭安裝至護板(1)和(3)。將護板(1)和(3)安裝至機油冷卻器。
3 new joint installation to guard plate (1) and (3). The protection plate (1) and (3) mounted to the oil cooler.
4.將壓縮空氣連接至機油冷卻器。使用工具(A)。將壓力設置為345 kPa (50 psi)o壓力應持續三分鐘保持穩定。
4 the compressed air is connected to the oil cooler. Use the tool (A). Set the pressure to 345 kPa (50 psi) O pressure should last three minutes remained stable.
目視檢查
Visual inspection
冷卻系統如果不進行定期檢查就會引起發動機溫度升高。在用測試設備進行測試之前.先對冷卻系統進行目視檢查。
The cooling system without regular inspection will cause the engine temperature. Before the test by the test equipment. To perform a visual inspection of the cooling system.
警告:加壓的系統:熱的冷卻液能造成嚴重的燙傷。在發動機停機.等待冷卻系統部件冷卻下來后再打開冷卻系統加注口蓋。暖慢松開冷卻系統加注口蓋,以釋放掉所有壓力。
Warning: the pressurized system: the hot coolant can cause severe burns. In the engine stop. Wait for the cooling system components to cool down after the open cooling system filler cap. Warm slowly loosen cooling system filler cap, to release all pressure.
1.檢查冷卻系統中的冷卻液液位。讀取位于散熱器(如有配備)上端的兩個冷卻液液位指示儀指示的液位位置。
Coolant level 1 checking the cooling system. Reading is located in the radiator (if equipped) level position at the top of the two coolant level indicator.
2.查看冷卻系統有無滲漏。
2 check the cooling system without leakage.
3.查看芯件散熱片是否彎曲或散熱器散熱片之間有無碎屑(如有配備)。確保流過散熱器的空氣沒有阻塞。
3 see the core piece of radiating fin is bent or radiator fins are free of debris (if equipped). Ensure that the flow through the radiator air without obstruction.
4.檢查風扇葉片是否損壞(如有配備)。
4 check the fan blade is damaged (if equipped).
5.發動機冷卻后,緩慢取下加注口蓋。這會使冷卻系統內的所有壓力釋放出來。檢查加注口蓋和氣密封表面。該表面必須清潔,密封必須無損。
The 5 engine cooling, slowly remove the filler flap. This will make all the pressure in the cooling system release. Check the filler cap and sealing surface. The surface must be clean, the seal must be lossless.
6.檢查壓力安全閥。請聯系OEM了解更多信息。
6 check the pressure safety valve. Please contact OEM for more information.
Perkins柴油發動機水溫調節器(節溫器)一測試
Perkins diesel engine water temperature regulator (thermostat) test
警告:熱的冷卻液、蒸汽和堿會造成人身傷害。在工作溫度下,發動機冷卻液是熱的而且處在壓力下。散熱器和所有到加熱器的管路或發動機中都有熱的冷卻液或蒸汽。與它們的任何接觸都會造成嚴重燙傷。只有當發動機停機且散熱器蓋已經冷卻到可以徒手觸摸時,再慢慢拆下過濾器蓋以釋放壓力。冷卻系統調節器含堿。應避免它與皮膚和眼睛接觸。
Warning: the cooling liquid, steam and alkali heat will cause personal injury. At operating temperature, engine coolant is hot and under pressure. The radiator and all to the heater pipe or the engine is hot coolant or steam. Any contact with them can cause serious burns. Only when the engine is shut down and the radiator cap has cooled to hand can touch, and then slowly remove the oil filter cover to release the pressure. Cooling system conditioner containing alkali. It should avoid contact with skin and eyes.
注:該信息僅適用于安裝在發動機上的淡水溫度
Note: this information applies only to fresh water temperature is installed in the engine