珀金斯柴油機配件1000ZZ80024R汽缸蓋裝備
項目 零配件號碼 最近的部分號碼
1 ZZ80067 1 ZZ80024R 汽缸蓋裝備
2 33152155 1 33152155 氣門座圈
3 33152154 1 33152154 氣門座圈
19 36812609 1 檢查歷史 密合墊 - 汽缸蓋
21 32526319 2 32526319 圖釘
22 33531136 1 33531136 螺帽
24 32526324 9 32526324 圖釘
25 33531136 8 33531136 螺帽
27 32526323 4 32526323 圖釘
28 33531136 4 33531136 螺帽
31 2172142 6 2172142 螺旋
32 32166221 6 32166221 螺旋
34 32166219 12 32166219 螺旋
36 1 蓋
37 1 接合
38 6 圖釘
39 6 螺帽
40 6 墊圈

項目 零配件號碼 最近的部分號碼
4 3343 F031 6 3343 F041 氣門導管
5 3343 J002 6 3343 J021 氣門導管
6 3312 K014 6 3312 K014 套筒
7 2431154 1 2431154 栓塞
8 32417165 6 32417165 栓塞
9 32417156 13 32417156 栓塞
10 0650710 1 0650710 栓塞
11 31431315 6 31431315 吸入口閥
12 3142 A051 6 3142 A051 排氣閥
13 33415118 12 33415118 閥彈簧塾圈
14 33817117 12 33817117 密封 - 閥轉桿
15 31745121 12 31745121 閥彈簧外部的
15 31745122 12 T417880 閥彈簧外部的
16 31744131 12 31744131 閥彈簧內部
16 31744133 12 T417885 閥彈簧內部
17 33423147 12 33423147 帽
17 33424107 12 33424107 帽
18 33173108 12 33173108 閥筒夾
42 2431154 1 2431154 栓塞
44 32114501 3 32114501 栓塞
45 0650203 1 0650203 栓塞
46 2411107 1 2411107 墊圈

項目 零配件號碼 最近的部分號碼
1 4132 F015 1 4132 F015 油泵
2 36865532 1 36865532 密合墊 - 油泵
3 0746459 2 0746459 螺旋
5 0920054 2 0920054 墊圈
6 41371195 1 41371195 放泄閥
14 36831122 1 36831122 密合墊
15 0096242 2 0096242 螺拴
16 2131325 2 2131325 墊圈
17 0920053 2 0920053 墊圈
18 35727115 1 35727115 油管
19 0490355 1 36832143 密合墊
20 0748352 2 0748352 螺旋
22 0920052 2 0920052 墊圈
23 36831115 1 36831127 密合墊 - 油泵
24 0096033 2 0096033 螺旋
26 0920052 2 0920052 墊圈
30 33435133 1 33435133 管

項目 零配件號碼 最近的部分號碼
7 1 殼
8 32712726 1 32712726 柱塞
9 31744151 1 31744151 彈簧
10 32712111 1 32712111 位子
13 0170024 1 0170024 CIRCLIP

項目 零配件號碼 最近的部分號碼
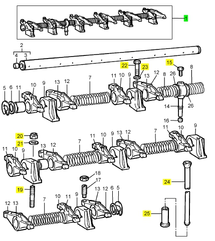
1 ZZ90036 1 ZZ90036 搖臂總成
15 0726504 1 0726504 固定螺釘
15 2233022 1 2233022 螺旋
19 2215274 4 2215274 圖釘
20 0576054 4 0576054 螺帽
21 33116111 4 33116111 墊圈
22 0096636 2 0096636 螺拴
23 33116111 2 33116111 墊圈
24 31434307 12 31434307 PUSHROD
25 3142 U031 12 3142 U991 挺桿

項目 零配件號碼 最近的部分號碼
2 ZZ90046 1 ZZ90046 搖臂 ASSY-
5 0170151 2 0170151 CIRCLIP
6 33117434 2 33117434 墊圈
7 31744123 4 31744123 搖臂彈簧
8 31743108 2 31743108 搖臂彈簧
9 37521471 6 37521431 托架
10 41151482 6 4115 R505 搖臂
12 41151481 6 4115 R506 搖臂
14 3775 E012 1 3775 E012 連接
15 2231236 1 2231236 固定螺釘
16 33811113 1 33811113 橄欖
17 0720579 12 32114145 螺旋
18 0576052 12 0576052 螺帽
26 33117426 2 3311 K015 填隙用木片

項目 零配件號碼 最近的部分號碼
1 37161177 1 37161177 正時安排箱
2 2418 F436 1 2418 F437 密封 -前面端油
3 36814135 1 3681 P032 密合墊 - 正時安排的箱
4 0746255 8 0746255 螺旋
6 0920053 8 0920053 墊圈
7 0096237 1 0096237 螺拴
9 0920053 1 0920053 墊圈
10 31416303 1 3141 F131 凸輪軸
11 31171138 1 31171138 凸輪軸傳動機構
12 0500012 1 0500012 半圓鍵
13 33153128 1 33153128 墊圈
14 33115408 1 33115408 墊圈
15 31733121 1 31733121 墊圈
16 33153121 1 3112 X011 推力板
16 33153135 1 33153135 墊圈
17 2116053 1 2116053 合釘
18 41115057 1 41115057 惰輪傳動機構
20 32413122 1 32413122 板
21 32718522 1 32718522 輪轂
22 0350553 1 0350553 合釘
23 0826510 2 0826510 圖釘
24 2211224 2 2211224 螺帽
25 41115056 1 41115056 惰輪傳動機構
27 32413122 1 32413122 板
28 32718522 1 32718522 輪轂
29 0350553 1 0350553 合釘
30 0826510 2 0826510 圖釘
31 2211224 2 2211224 螺帽
