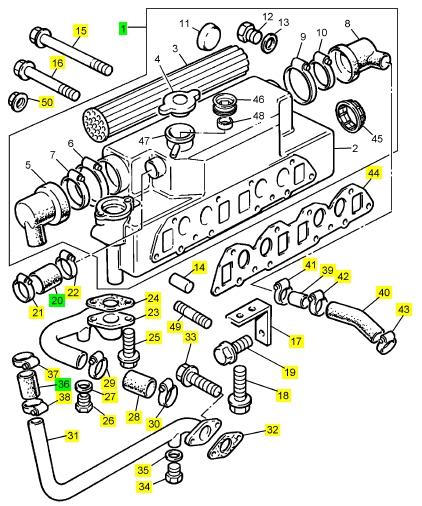
英國珀金斯4133 Y022機油冷卻器 T4.20
項目 零配件號碼 最近的部分號碼
1 4133 Y022 1 4133 Y022 交換器
14 3211 C001 2 3211 C001 銷
15 2314 H023 4 2314 H023 螺旋
16 2314 H025 4 2314 H025 螺旋
17 3753 V011 1 3753 V011 板
18 2314 H003 2 2314 H003 螺旋
19 2314 H003 1 2314 H003 螺旋
20 33853121 1 33853121 水管
21 2481886 1 2481886 夾
22 2481886 1 2481886 夾
23 3775 U031 1 3775 U031 水管
24 3683 L003 1 3683 L003 密合墊
25 2314 H004 2 2314 H004 螺旋
26 L2264F02 1 L2264F02 栓塞
27 0920153 1 0920153 墊圈
28 33853113 1 33853113 水管
29 21825198 1 夾
30 21825198 1 夾
31 3765 N021 1 3765 N021 水管
32 3683 L003 1 3683 L003 密合墊
33 2314 H004 2 2314 H004 螺旋
34 L2243F02 1 L2243F02 栓塞
35 0920154 1 0920154 墊圈
36 33853121 1 33853121 水管
37 21825198 1 夾
38 21825198 1 夾
39 3348 N003 1 3348 N003 水管
40 3482 T005 1 3482 T005 水管
41 2481886 1 2481886 夾
42 2481886 1 2481886 夾
43 2481886 1 2481886 夾
44 L681VF02 1 L681VF02 密合墊 - IND 的岐管
49 2313 H242 2 2313 H242 圖釘
50 2318 A603 2 2318 A603 螺帽
Item Parts No. Qty. Latest Part No. Description Cut Out Cut In Comment
2 1 HOUSING
3 2486A966 1 2486A966 TUBE
3 2486H904 1 2486H904 TUBE
4 2486H905 1 2486H905 CAP
4 2487B401 1 2487B401 CAP
5 2486A967 1 2486A967 ELBOW
5 2486H903 1 2486H903 COVER
6 2481890 1 2481890 HOSE CLIP
6 2481891 1 2481891 CLIP
7 2481890 1 2481890 HOSE CLIP
8 2486A967 1 2486A967 ELBOW
8 2486H903 1 2486H903 COVER
9 2481890 1 2481890 HOSE CLIP
9 2481891 1 2481891 CLIP
10 2481890 1 2481890 HOSE CLIP
10 2481891 1 2481891 CLIP
12 L2243F02 1 L2243F02 PLUG
13 0920154 1 0920154 WASHER
45 3381R001 1 3381R001 SLEEVE
45 3381R003 1 3381R003 SLEEVE
46 2487B405 1 2487B405 ADAPTOR
47 2486H902 1 2486H902 FILLER
47 2487B404 1 2487B404 RIM
48 2486H901 1 2486H901 INSERT

項目 零配件號碼 最近的部分號碼
1 3765 N032 1 3765 N032 連接
2 L683NF02 1 L683NF02 密合墊 - 水的出口
3 2314 H004 2 2314 H004 螺旋
4 3386 C002 1 3386 C002 水管
5 36568143 1 36568143 管夾
6 2314 H002 1 2314 H002 螺旋
7 L2243F02 1 L2243F02 栓塞
8 0920154 1 0920154 墊圈
