珀金斯威爾遜3012柴油機KRP3106/010曲軸瓦、止推片
序號 零配件號 最近的零配件號 描述
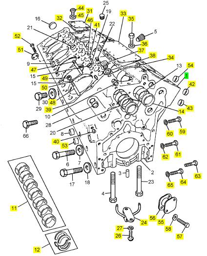
1 CV14877/1 Z 1 CV14877/1 Z 缸體總成
11 KRP3106/010 1 KRP3106/010 曲軸瓦 -U/S
11 KRP3106/020 1 KRP3106/020 曲軸瓦 -U/S
11 KRP3106/030 1 KRP3106/030 曲軸瓦 -U/S
11 KRP3106/040 1 KRP3106/040 曲軸瓦 -U/S
11 KRP3106 1 KRP3106 曲軸瓦
12 KRP3203/013 1 KRP3203/013 止推片 -O/S
12 KRP3203 1 KRP3203 止推片
14 CV275 2 CV275 堵塞
24 CV9116 6 CV19408 活塞冷卻噴頭
26 ST44441 12 2314 C045 固定螺釘
27 ST43160 12 2134 A008 墊圈
31 CV1418 1 CV1418 板
32 CV20207 1 CV20207 切片密封墊的板
33 CV1420 1 CV1420 板
34 CV20208 1 CV68115 密封墊
35 ST44437 22 2314 C043 固定螺釘
36 ST20606 22 ST20606 墊圈
37 ST20133 1 ST20133I 堵塞
38 ST49891 1 ST49891 墊圈
39 ST45779 8 ST45779 合釘
40 ST20704 5 ST20704 堵塞
41 OE7669 4 OE7669 密封O型圈
42 CV13080 4 CV13080 堵塞
43 ST43324 4 ST43324 堵塞
44 ST20134 1 ST20134 堵塞
45 ST49206 1 ST49206 墊圈
46 CV1470 4 CV1470 線軸
47 CV7789 48 CV7789 圖釘
48 CV7790 32 CV7790 圖釘
49 CV7788 80 CV7788 螺帽
50 OE46176 80 OE46176I 墊圈
51 CV2910 1 CV2910 堵塞
52 CV20002 2 CV20002 固定螺釘
53 ST43333 1 ST43333 堵塞
54 ST43330 1 ST43330 堵塞
55 OE1647 1 OE1647 蓋
56 CV20236 1 CV20236I 密封墊
57 ST43556 2 ST43556 螺拴
58 2134 A010 2 2134 A010 墊圈
59 ST20103 1 ST46078I 堵塞
60 ST49853 1 ST49853 墊圈
61 ST20104 1 ST20104 堵塞
62 ST49891 1 ST49891 墊圈
63 ST20105 1 ST20105 堵塞
64 ST20107 1 ST20107 堵塞
65 ST49209 1 ST49209 墊圈
Item Parts No. Qty. Latest Part No. Description Cut Out Cut In Comment
1 CV19370/1 1 CV19370/1 CYLINDER BLOCK ASSEMBLY
22 ST20707 1 ST20707 PLUG
23 KRP3106 1 KRP3106 MAIN BEARING KIT
(23) KRP3106/010 1 KRP3106/010 MAIN BEARING KIT - U/S
(23) KRP3106/020 1 KRP3106/020 MAIN BEARING KIT - U/S
(23) KRP3106/030 1 KRP3106/030 MAIN BEARING KIT - U/S
(23) KRP3106/040 1 KRP3106/040 MAIN BEARING KIT - U/S
24 KRP3203 1 KRP3203 THRUST WASHER KIT
(24) KRP3203/013 1 KRP3203/013 THRUST WASHER KIT - O/S
25 CV275 2 CV275 PLUG
26 CV9171 6 CV9171 WASHER
27 ST20702 2 ST20702 PLUG
28 CV19769 4 CV19769 SLEEVE
29 OE2970 4 OE2970 SCREW
30 ST20133 1 ST20133I PLUG
31 ST49891 1 ST49891 WASHER
32 CV1418 1 CV1418 PLATE
33 CV19540 1 CV19540 GASKET - BLANKING PLATE
34 CV19785 1 CV19785 PLATE
35 CV19542 1 CV19542 GASKET - BLANKING PLATE
36 ST44437 22 2314C043 SETSCREW
37 OE48475 22 OE48475 WASHER
38 OE7669 4 OE7669 SEAL - O RING
39 ST45779 8 ST45779 DOWEL
40 ST20704 5 ST20704 PLUG
41 2314C045 24 2314C045 SETSCREW
42 CV12198 3 CV12198 DRAIN PLUG
43 ST49891 3 ST49891 WASHER
44 2131A008 22 2131A008 WASHER

序號 零配件號 最近的零配件號 描述
2 7 帽
3 CV270 1 CV270 合釘
4 CV278 8 CV24546 固定螺釘
5 ST20707 1 ST20707 堵塞
6 ST43706 8 ST43706 螺拴
7 ST43060 8 2131 A016 墊圈
8 ST43330 12 ST43330 堵塞
9 ST43326 10 ST43326 堵塞
10 ST33606 4 ST33606 堵塞
13 CV274 17 CV274 凸輪軸襯套
15 ST43322 20 ST43322 堵塞
16 ST43326 1 ST43326 堵塞
17 ST43657 6 ST43657 螺拴
18 CV9171 6 CV9171 墊圈
20 CV11572 1 CV11572 凸輪軸襯套
21 ST43328 2 ST43328 堵塞
22 ST20701 29 ST20701 堵塞
23 CV1271 12 固定螺釘
25 ST20702 2 ST20702 堵塞
28 ST43324 8 ST43324 堵塞
29 ST46076 1 ST46076I 堵塞
30 ST49851 1 ST49851 墊圈
Item Parts No. Qty. Latest Part No. Description Cut Out Cut In Comment
CV20811 12 CV20811 WASHER
2 7 CAP
2 7 CAP
3 CV270 1 CV270 DOWEL
4 CV24547 8 CV24547 BOLT
5 ST43706 8 ST43706 BOLT
6 ST43060 8 2131A016 WASHER
7 ST43330 12 ST43330 PLUG
8 ST43326 2 ST43326 PLUG
9 ST33606 4 ST33606 PLUG
10 CV72010 12 CV72010 LINER - SLIP FIT
10 CV19912 12 CV72010 LINER - SLIP FIT
(10) CV11401 12 CV11401 LINER - SLIP FIT
(10) CV11402 12 CV11402 LINER - OVERSIZE
11 CV274 17 CV274 CAMSHAFT BUSH
12 ST43322 20 ST43322 PLUG
13 ST43326 1 ST43326 PLUG
14 ST43657 6 ST43657 BOLT
15 CV11572 1 CV11572 CAMSHAFT BUSH
16 CV24547 12 CV24547 BOLT
16 ST43729 12 CV24547 BOLT
17 ST20701 29 ST20701 PLUG
18 ST43328 2 ST43328 PLUG
19 ST43324 16 ST43324 PLUG
20 CV13080 4 CV13080 PLUG
21 ST43324 4 ST43324 PLUG

序號 零配件號 最近的零配件號 描述
2 1 止推片
3 1 止推片
4 1 止推片
5 1 止推片

序號 零配件號 最近的零配件號 描述
ST20139 2 ST20139 堵塞
ST49860 2 ST49860 墊圈
1 CV5519 1 室
3 CV2124 8 CV2124 圖釘
4 ST44605 8 2318 A208 公制的螺帽
5 ST43160 8 2134 A008 墊圈
6 ST43056 8 2131 A008 墊圈
7 CV7210/1 1 CV7210/1 冷卻器回廊組件
7 CV7210/1 1 CV7210/1 冷卻器回廊組件
7 CV7210 1 CV7210/1 冷卻器回廊
10 CV20232 4 CV72181 密封墊
11 ST43502 48 ST43502 螺拴
12 ST43160 48 2134 A008 墊圈
13 ST43056 48 2131 A008 墊圈
14 CV7211/1 1 CV7211/1 冷卻器回廊組件
14 CV7211/1 1 CV7211/1 冷卻器回廊組件
14 CV7211 1 CV7211/1 冷卻器回廊
17 CV5595 1 CV5595 室
Item Parts No. Qty. Latest Part No. Description Cut Out Cut In Comment
1 CV12081/2 1 CV12081/2 INDUCTION MANIFOLD
8 CV20233 4 CV20233 GASKET - IND MANIFOLD
9 CV12081/2 1 CV12081/2 INDUCTION MANIFOLD
17 CV507 12 CV507 BOBBIN
18 ST10928 24 ST10928 SEAL - O RING
19 CV12997 2 CV12997 BLANKING PLATE
20 CV19492 2 CV72491 GASKET
21 ST44441 4 2314C045 SETSCREW
22 ST43160 4 2134A008 WASHER
23 ST20133 8 ST20133I PLUG
24 ST49891 8 ST49891 WASHER
25 CV13201 2 CV13201 BLANKING PLATE
26 CV14062 2 CV20379 GASKET
27 CV8218 2 CV8218 PLATE
28 ST43504 4 ST43504 BOLT
29 ST43160 4 2134A008 WASHER
30 ST44452 2 ST44452 SETSCREW
31 ST49940 2 ST49940 WASHER
32 ST44458 28 2314C053 SETSCREW
33 ST43161 28 2134A010 SPRING WASHER
34 ST43057 28 2131A010 WASHER
35 U5MH0050 1 U5MH0050 HOSE KIT
37 ST43563 12 ST43563 BOLT
38 ST43161 12 2134A010 SPRING WASHER
39 ST43057 12 2131A010 WASHER
40 CV14062 1 CV20379 GASKET
41 ST44441 8 2314C045 SETSCREW
42 ST43160 8 2134A008 WASHER
43 ST43056 8 2131A008 WASHER
44 CV14062 1 CV20379 GASKET

溫馨提示
我司建立了一套完整的英國Perkins零配件供應體系,全天候快速響應,純正的Perkins配件是您最佳的選擇,因為您所得到的是延長Perkins動力系統壽命的最佳保證。
網頁中公布的Perkins發動機配件號與圖片僅為參考,因 Perkins動力系統零配件型號與技術參數太多,沒能全部展示,如有配件與維修技術資料方面的需求,請與本司的在線客服溝通與交流,希望我們能夠幫您節約更多等待備件時間和維修技術方面的困難。
特別聲明:我司只銷售Perkins原廠配件,需付廠或防品件請繞道,謝謝。